产品简介
L300-LFM 射频隔离放大器是一分五低功耗高性能隔离放大器,隔离度可达 100dB,附加相噪及频率稳定度适用于氢钟及铯钟性能,具有山河电子标准封装和标准接口,可多种安装形式,包括堆叠安装,便于集成。
产品特点
- 低附加相噪 -140dBc@1Hz
- 1 路转 5 路,隔离度 100dB
- 专为 10MHz 频率优化设计
- +12~+15VDC 供电
典型曲线

频率稳定度典型值(受限于仪器)
100ms: 1.8×10-12 1s: 2.8×10-14
10s: 3.5×10-15 100s:7.8×10-16

相位噪声典型值(受限于仪器)
- 1Hz: -142dBc/Hz 10Hz: -152dBc/Hz
- 100Hz: -162dBc/Hz 1kHz: -165dBc/Hz
- 10kHz: -166dBc/Hz 100kHz: -166dBc/Hz
应用领域
技术参数
| 测试项目 | 技术指标 | |||||||||||
|---|---|---|---|---|---|---|---|---|---|---|---|---|
| 频率 | 10MHz | |||||||||||
| 增益 | 0±2dB | |||||||||||
| 输入功率 | 1路 | 0-15dBm | ||||||||||
| 隔离度 | 100dB | |||||||||||
| 附加频率稳定度 | 1s | ≤ 3×10-14 | ||||||||||
| 1000s | ≤ 5×10-16 | |||||||||||
|
附加 频率稳定度 |
1Hz | ≤ -140dBc/Hz | ||||||||||
| 10Hz | ≤ -150dBc/Hz | |||||||||||
| 100Hz | ≤ -155dBc/Hz | |||||||||||
| 1kHz | ≤ -165dBc/Hz | |||||||||||
| 10kHz | ≤ -165dBc/Hz | |||||||||||
| 工作温度 | -20℃ ~+70℃ | |||||||||||
| 存储温度 | -40℃ ~+85℃ | |||||||||||
| 电源 | ±4% | +12~+15V | ||||||||||
| 功率 | ≤ 3W | |||||||||||
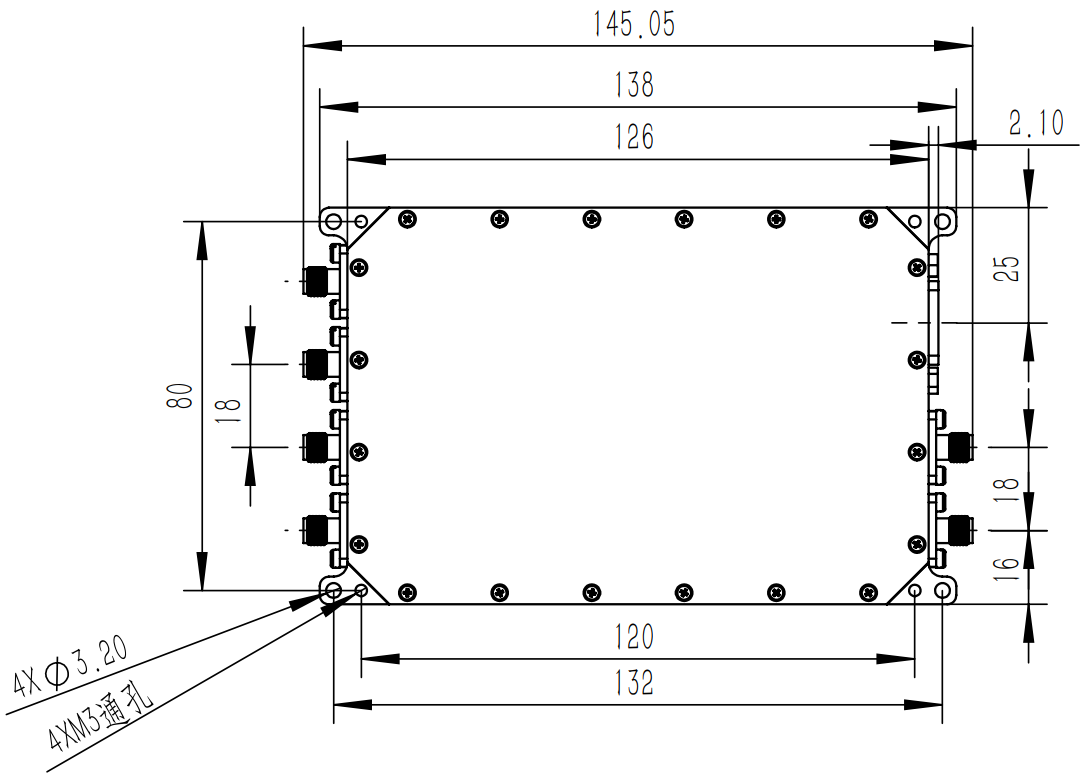
| 外形尺寸 | 本体尺寸 | 126mm×86mm×19mm | ||||||||||
| 重量 | < 300g | |||||||||||
外形尺寸

接口定义(DSUB9, 针):
- PIN1:地
- PIN6: 电源 +12~+15V
- 其他:内测,不要接线
产品推荐
相关文章
山河电子因为专业所以无惧任何挑战
北京山河锦绣科技开发中心,简称:山河电子经验专注于PNT行业领域技术,专业从事授时web管理开发、信创麒麟系统应用、北斗时间频率系统、金融PTP通用解决方案以及特需解决方案的指定,在授时领域起到领导者地位,在NTP/ptp方案集成和市场服务工作中面对多样化和专业化的市场需求,山河电子致力于设计和开发满足不同用户真实需求的产品和解决方案,技术业务涉航空航天、卫星导航、军民通信及国防装备等领域,为我国深空探测、反隐身雷达、授时中心铯钟项目等国家重大工程建设提供了微波、时间频率基准及传递设备。







